Book of USS Eagle 200 Foot Naval Patrol Boat Blueprints, 1918-1919
Add to SetSummary
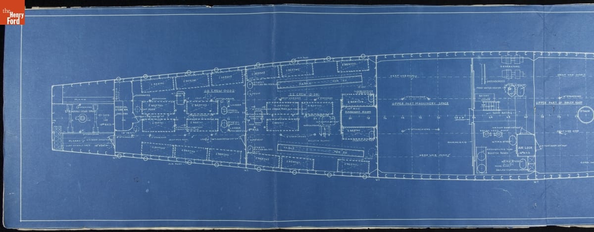
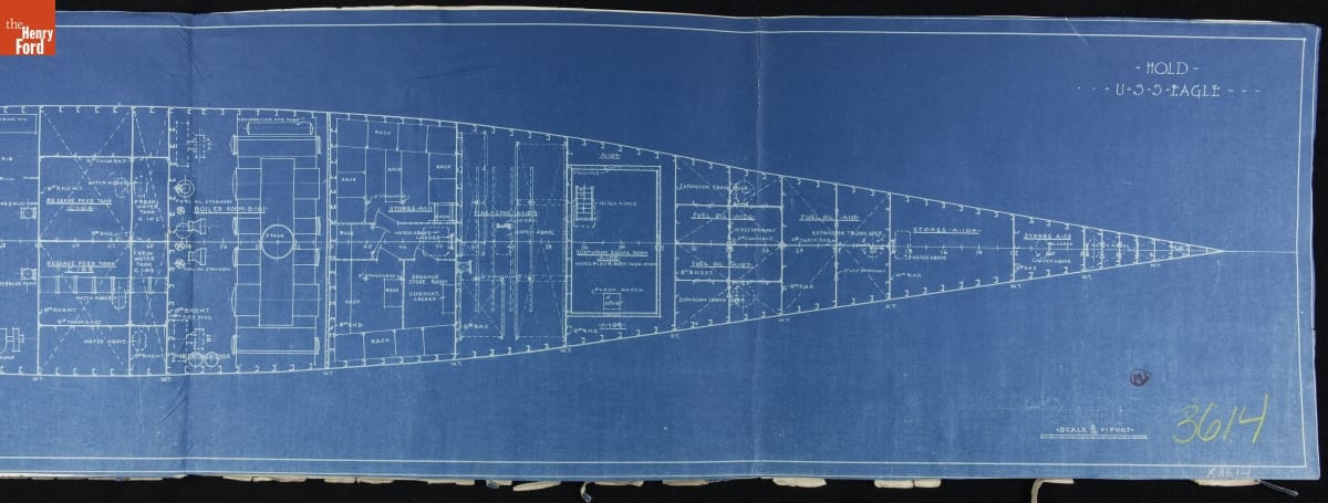
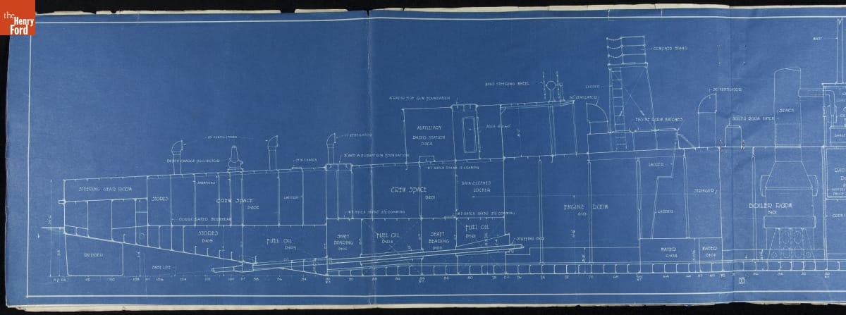
During World War I, Ford Motor Company built Eagle anti-submarine patrol boats for the U.S. Navy. Ford manufactured the boats using the mass production techniques it perfected for its automobiles. One of Ford's early challenges was the near-constant stream of design changes from the Navy. For all their strengths, Ford's production methods weren't well suited to frequent modifications.
During World War I, Ford Motor Company built Eagle anti-submarine patrol boats for the U.S. Navy. Ford manufactured the boats using the mass production techniques it perfected for its automobiles. One of Ford's early challenges was the near-constant stream of design changes from the Navy. For all their strengths, Ford's production methods weren't well suited to frequent modifications.
Artifact
Blueprint (Reprographic copy)
Subject Date
1918-1919
Creators
Unknown
Keywords
Collection Title
On Exhibit
By Request in the Benson Ford Research Center
Object ID
64.167.882.1
Credit
From the Collections of The Henry Ford. Gift of Ford Motor Company.
Material
Paper (Fiber product)
Technique
Blueprint process
Color
Blue
Dimensions
Height: 15.5 in
Width: 40.125 in
Inscriptions
Text at upper right corner: OUTBOARD PROFILE / U.S.S. EAGLE
Share Anywhere
Use this Artifact Card to share this great find with others. From historic images to vivid descriptions, a record of rich detail is bundled inside a single card.